Troubleshooting & Technical Questions & Modifications Have technical or modification questions about the Crossfire? Find out the answer, or give advice in here!

More pesky dead battery woes!

Thread Tools
 
Old Aug 1, 2023 | 01:14 PM
  #1 (permalink)  
Romad's Avatar
Thread Starter
|
Senior Member
Joined: Nov 2020
Posts: 839
Likes: 206
From: Tampa, FL.
Default More pesky dead battery woes!

Continued work on my '05 Xfire this morning. Problem has been battery going dead. Removed the siren, it never worked, and had the battery tested. O'Riley's tested the battery had a bad cell "again" so I bought a Wal-Mart battery this time. I'll install it later this afternoon. Cleaned all the leaves out under the cowl and made sure the drain was clear. Hope the siren was most of my problem. As a side note I discovered why the windshield washer didn't work. The washer fluid line was completely pinched closed in two places by some previous owner.


 

Last edited by Romad; Aug 1, 2023 at 02:11 PM.
Reply
Old Aug 1, 2023 | 01:26 PM
  #2 (permalink)  
Romad's Avatar
Thread Starter
|
Senior Member
Joined: Nov 2020
Posts: 839
Likes: 206
From: Tampa, FL.
Default Re: More pesky dead battery woes!

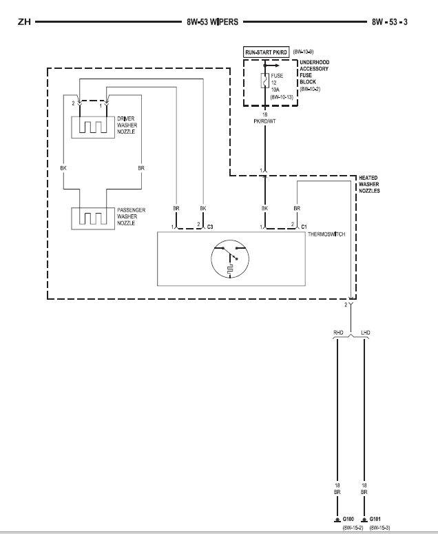
I noticed under the cowl parts my '06 doesn't have. In the pic you notice a little electrical board. It seems associated with my washer jets as there is a little opticle sensor there. Is it some kind of rain sensor?? Think I'll leave that disconnected as well.


 
Reply
Old Aug 1, 2023 | 01:32 PM
  #3 (permalink)  
pizzaguy's Avatar
Administrator
Joined: Jun 2009
Posts: 13,932
Likes: 1,266
From: Fort Worth, Texas
Default Re: More pesky dead battery woes!

See the service manual, wiring chapter - thats the board that has the thermostat that turns on the washer nozzle heaters.






............. and it did not drain your battery cause it can't drain your battery as the diagram shows.
 

Last edited by pizzaguy; Aug 1, 2023 at 01:34 PM.
Reply
Old Aug 1, 2023 | 02:08 PM
  #4 (permalink)  
Romad's Avatar
Thread Starter
|
Senior Member
Joined: Nov 2020
Posts: 839
Likes: 206
From: Tampa, FL.
Default Re: More pesky dead battery woes!

"WINDSHIELD WASHER JET HEATER!" What the heck will they think of next. That is something that every central Florida owner should have! LoL I guess in colder climates that would be a handy accessory. Thanks Pizzaguy!
 

Last edited by Romad; Aug 1, 2023 at 08:58 PM.
Reply
Old Aug 1, 2023 | 05:31 PM
  #5 (permalink)  
pizzaguy's Avatar
Administrator
Joined: Jun 2009
Posts: 13,932
Likes: 1,266
From: Fort Worth, Texas
Default Re: More pesky dead battery woes!

Let me be clear: I fully expect your new battery to be dead in a few days, unless you drive the car every day - and it's not the nozzle heaters.

ANd while we talk about "stuff the manual just does not tell you", your button that turns on the rear window heating element turns on two OTHER heating elements.
Note that fuse 4 protects ONLY the mirrors, so if the back window gets warm but mirrors don't, check that fuse.


 
Reply
Old Aug 1, 2023 | 09:07 PM
  #6 (permalink)  
Romad's Avatar
Thread Starter
|
Senior Member
Joined: Nov 2020
Posts: 839
Likes: 206
From: Tampa, FL.
Default Re: More pesky dead battery woes!

I did not expect the washer jet heater to cause the battery to go dead. I disconnected it cause there is no need for it in my climate and why chance fate! LoL By removing the siren is what I'm hopeing was my dead battery problem plus having a bad battery cell. Seems sirens have been the culprit in a lot of instances.

I cut out the badly damaged area of the washer hose and now my windshield washer now works.
 
Reply
Old Aug 2, 2023 | 08:31 PM
  #7 (permalink)  
Romad's Avatar
Thread Starter
|
Senior Member
Joined: Nov 2020
Posts: 839
Likes: 206
From: Tampa, FL.
Default Re: More pesky dead battery woes!

Well the battery is still up and strong but I'm sure a new battery would do the same. Just have to wait and see if removing the bad siren had anything to do with anything. Alternator is putting out 14.2 volts. Gonna have to see if my no start 3 times returns or not. That is covered in another posting as a continuing intermittant problem. When funds come available and the summer heat lets up the screem will be going to MSS.
 
Reply
Old Aug 4, 2023 | 07:33 AM
  #8 (permalink)  
Romad's Avatar
Thread Starter
|
Senior Member
Joined: Nov 2020
Posts: 839
Likes: 206
From: Tampa, FL.
Default Re: More pesky dead battery woes!

Originally Posted by Romad
Well the battery is still up and strong but I'm sure a new battery would do the same. Just have to wait and see if removing the bad siren had anything to do with anything. Alternator is putting out 14.2 volts. Gonna have to see if my no start 3 times returns or not. That is covered in another posting as a continuing intermittant problem. When funds come available and the summer heat lets up the screem will be going to MSS.
Think I'll take the old siren apart and see what makes it tick.
 
Reply
Old Aug 4, 2023 | 09:04 AM
  #9 (permalink)  
ZERACER's Avatar
Senior Member
Joined: Nov 2006
Posts: 6,568
Likes: 755
From: Orange County CA.
Default Re: More pesky dead battery woes!

There are built in batteries that leak acid when they get old causing the internal electronics to short out causing battery drain.
 
Reply
Old Aug 4, 2023 | 02:58 PM
  #10 (permalink)  
Romad's Avatar
Thread Starter
|
Senior Member
Joined: Nov 2020
Posts: 839
Likes: 206
From: Tampa, FL.
Default Re: More pesky dead battery woes!

Thanks Pizzaguy! I printed it out the schematic for the mirror/defrost and put it into my 3-ring Xfire information binder.
 
Reply
Old Aug 6, 2023 | 10:21 PM
  #11 (permalink)  
Romad's Avatar
Thread Starter
|
Senior Member
Joined: Nov 2020
Posts: 839
Likes: 206
From: Tampa, FL.
Default Re: More pesky dead battery woes!

For those inquiring minds that want to know what the inside of a security siren! Used my lathe to cut it open and yes indeedy the two batteries did leak and destroyed the electronic board. Probably was/could be a battery drainage problem. Pictures keep it interesting.




 
Reply
Old Aug 7, 2023 | 01:20 AM
  #12 (permalink)  
JSK's Avatar
JSK
Senior Member
Joined: Jul 2014
Posts: 1,199
Likes: 121
From: Mesa Arizona
Default Re: More pesky dead battery woes!

There have been some photos of damaged ones posted in the past but I don’t recall seeing any that bad.
 
Reply
Old Aug 7, 2023 | 01:10 PM
  #13 (permalink)  
pizzaguy's Avatar
Administrator
Joined: Jun 2009
Posts: 13,932
Likes: 1,266
From: Fort Worth, Texas
Default Re: More pesky dead battery woes!

Originally Posted by JSK
There have been some photos of damaged ones posted in the past but I don’t recall seeing any that bad.
Yea, that one is EPIC. The radio sets on the Titanic, at the bottom of the ocean for 100 years, look better than that thing.
 
Reply
Old May 14, 2024 | 10:32 PM
  #14 (permalink)  
cavanbound's Avatar
Joined: Apr 2022
Posts: 1
Likes: 0
From: MN
Default Re: More pesky dead battery woes!

Guys, I'm posting on this thread because I have a similar situation, but a few different facts, and was hoping to get some idea of whether failure of this part (or thermostat) is common. I was suffering the battery-drain issues, similar to others on this thread, but with an important symptom I don't think I've seen referenced. When I would connect a fully-charged battery, I'd get a very-faint crackle from just behind the engine - as if up under the cowl - sporadic, but pretty much any time the battery is connected. If left without driving, the car's battery will be dead in a few days. I did diagnostics tonight, pulling every under-hood circuit, starting with some solid contenders (radio, other stuff that makes a crackling sound), but ended up just systematically pulling fuses in a row until I reached (on my 2005 Roadster), Fuse 12 - Heated Washer Nozzles. I believe the crackling stopped - I've put the fuse back in (crackling), taken out (stopped) 3 times.

My question is - have others had a failure in this component - and is it more likely to be the thermostat I see referenced on a board (in this thread), or the heated nozzle itself? And - this was just this evening, so I'm leaving the battery connected tonight as a means of testing - and tomorrow or soon, I'll do the amp-test across the poles on that #12 fuse bay and see what the draw looks like. I think I'm on to the issue - but curious to hear what others may find in this set of facts. Thanks for a great forum.
 
Reply
Old May 15, 2024 | 01:20 AM
  #15 (permalink)  
JSK's Avatar
JSK
Senior Member
Joined: Jul 2014
Posts: 1,199
Likes: 121
From: Mesa Arizona
Default Re: More pesky dead battery woes!

Are you certain that noise isn’t coming from the siren?
 
Reply
Old May 15, 2024 | 08:52 AM
  #16 (permalink)  
DTMenace's Avatar
Senior Member
Joined: Apr 2006
Posts: 2,509
Likes: 205
From: West Chester, PA.
Default Re: More pesky dead battery woes!

cavanbound
It definitely sounds like the Alarm Siren died and has created a parasitic drain on the primary battery in your car. Click on the YouTube link and scroll to the Alarm repair (first link).
The 2nd link is to a supplier of a replacement Alarm/Siren that will fit and replace the defective one in your car. Scroll down to the mid page and you will see the part. The original part# 171 820 25 26 was installed in our Crossfires, NO longer being manufactured with no existing NOS supply. The "new" alarm/siren # is 219 82 03226 and sells for $144+ taxes & shipping. If you decide to order, use a Mercedes Benz SLK320 as your car, not a Crossfire.

A cheap and easy way to resolve this, is to remove the external electrical connection on the existing alarm, if you disconnect it, it will also eliminate the drain, but no siren will activate, but your security system will function and not affect the Skreem module. Wrap the electrical connection in duct tape to avoid any electrical issues.
Good Luck
Dennis
DTMenace

Crossfire Repairs by Paul or Car Repairs by Paul - YouTube

Page 3 - Mercedes SLK32 Parts Massive Inventory (autohausaz.com)
 

Last edited by DTMenace; May 15, 2024 at 04:37 PM.
Reply
Old May 15, 2024 | 03:00 PM
  #17 (permalink)  
GraphiteGhost's Avatar
Senior Member
Joined: Jul 2009
Posts: 6,296
Likes: 762
From: Central South Carolina
Default Re: More pesky dead battery woes!

.


cavanbound, IF you do unplug the siren make sure you wrap it in a sandwich bag or eqv. so that the connector isn't exposed to the elements. This will prevent the connector and wiring from getting moisture into it/them and causing connectivity/corrosion relating to that connector. You CAN use a good grade of electrical tape, but nowadays I have a hard time receiving a good grade of tape that doesn't 'unravel' when exposed to the elements. It sounds like the typical 'siren' issue, good luck!


.
 
Reply
Related Topics
Thread
Thread Starter
Forum
Replies
Last Post
sshistand@fuse.net
Troubleshooting & Technical Questions & Modifications
68
Jul 5, 2024 03:30 PM
JoXfire
Troubleshooting & Technical Questions & Modifications
5
Jul 8, 2022 01:28 PM
phil alvirez
Troubleshooting & Technical Questions & Modifications
0
Oct 2, 2019 11:09 AM
angelomd
Troubleshooting & Technical Questions & Modifications
2
Dec 7, 2014 06:22 PM
Hawk Monster
Crossfire Coupe
11
Dec 15, 2010 10:22 AM

Currently Active Users Viewing This Thread: 1 (0 members and 1 guests)
 



All times are GMT -4. The time now is 07:25 AM.