Troubleshooting & Technical Questions & Modifications Have technical or modification questions about the Crossfire? Find out the answer, or give advice in here!

Front section not flipping up

Thread Tools
 
Old Oct 22, 2021 | 01:19 AM
  #1 (permalink)  
notqytryt's Avatar
Thread Starter
Joined: Aug 2021
Posts: 9
Likes: 0
From: toledo
Default Front section not flipping up

I replace the top and now my top has to be assisted to go down. No leaks , hydraulics full. It just needs a push then it's fine. It seems like there should be something that should be pulling the front section up and back. BTW it worked before the new top was installed

Thiis is wrere it sticks at and needs a push up

After i push it up to here it works fine the rest of the way
 
Reply
Old Oct 22, 2021 | 09:22 AM
  #2 (permalink)  
ala_xfire's Avatar
Senior Member
Joined: Dec 2010
Posts: 12,780
Likes: 184
From: Lineville, AL
Default Re: Front section not flipping up

The problem is that the "top opened" switch isn't being activated ( above passengers right ear ).
This is because you have :
1. broken top tension cable(s)
2. you forgot to hook up the cables.
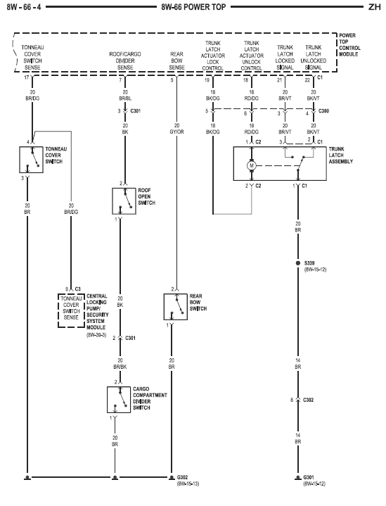
23 - 559 of this document :CLICK
 

Last edited by ala_xfire; Oct 22, 2021 at 09:30 AM.
Reply
Old Oct 22, 2021 | 12:43 PM
  #3 (permalink)  
notqytryt's Avatar
Thread Starter
Joined: Aug 2021
Posts: 9
Likes: 0
From: toledo
Default Re: Front section not flipping up

If the top open switch wasn't working the top would remain closed.. It is a momentary switch, normally closed... When the top is locked down (D-Ring) the cam pushes up and closes the switch (opening the connection) The cables are all connected properly. Like I mentioned, it is a mystery that needs to be solved
 
Reply
Old Oct 22, 2021 | 01:06 PM
  #4 (permalink)  
ala_xfire's Avatar
Senior Member
Joined: Dec 2010
Posts: 12,780
Likes: 184
From: Lineville, AL
Default Re: Front section not flipping up

When the top is locked down (D-Ring) the cam pushes up and closes the switch (opening the connection)
That is exactly opposite of how the switch functions.
You can connect the 2 switch wires together without the switch and the top will function normally,
you have to be SURE not to press the top down switch until after you have released the top from the header and raised the front portion.
​​​​​​​I have done this in the case of a broken switch, so I am speaking from experience.
 
Reply
Old Oct 22, 2021 | 01:57 PM
  #5 (permalink)  
notqytryt's Avatar
Thread Starter
Joined: Aug 2021
Posts: 9
Likes: 0
From: toledo
Default Re: Front section not flipping up

twisting the wires closes the switch permanently ( the same as having the cam in the down position, switch open) (switch open, circuit closed) the switch is a momentary switch, normally closed, when the cam moves up ( top up) it opens the circuit. when you release the D-ring and push it up the cam slides down closing the circuit , activating the hydraulics. I've had this discussion before... you just need to take a close look at the switch to see how it works. when the cam is relaxed the switch isnt engaged but the circuit is closed so the top can go up

switch open circuit closed
 
Reply
Old Oct 22, 2021 | 03:00 PM
  #6 (permalink)  
ala_xfire's Avatar
Senior Member
Joined: Dec 2010
Posts: 12,780
Likes: 184
From: Lineville, AL
Default Re: Front section not flipping up

Sorry, I miss-read your post. I am in agreement with you.
BTW, if somehow you destroy the switch, you can hot glue / epoxy a mercury switch in its place where it is open with the top latched and closed with it in the released position.

 
Reply
Old Oct 22, 2021 | 03:29 PM
  #7 (permalink)  
notqytryt's Avatar
Thread Starter
Joined: Aug 2021
Posts: 9
Likes: 0
From: toledo
Default Re: Front section not flipping up

the merc switch is a normally open switch so it would not work
 
Reply
Old Oct 22, 2021 | 06:15 PM
  #8 (permalink)  
GraphiteGhost's Avatar
Senior Member
Joined: Jul 2009
Posts: 6,344
Likes: 784
From: Central South Carolina
Default Re: Front section not flipping up

Originally Posted by notqytryt
the merc switch is a normally open switch so it would not work


The mercury switch can be either, it depends on how you 'mount' it. Other than that, it could be problematic if it jiggles enough to make/break it's connection (depending on its application/installation).


.
 
Reply
Old Oct 23, 2021 | 01:29 AM
  #9 (permalink)  
ala_xfire's Avatar
Senior Member
Joined: Dec 2010
Posts: 12,780
Likes: 184
From: Lineville, AL
Default Re: Front section not flipping up

Other than that, it could be problematic if it jiggles enough to make/break it's connection (depending on its application/installation).
​​​​​​​Not in this case. It is only sensed when the top down switch is actively pressed.
 
Reply
Old Oct 23, 2021 | 12:35 PM
  #10 (permalink)  
notqytryt's Avatar
Thread Starter
Joined: Aug 2021
Posts: 9
Likes: 0
From: toledo
Default Re: Front section not flipping up

can you diagram what you are suggesting?
 
Reply
Old Oct 23, 2021 | 05:53 PM
  #11 (permalink)  
ala_xfire's Avatar
Senior Member
Joined: Dec 2010
Posts: 12,780
Likes: 184
From: Lineville, AL
Default Re: Front section not flipping up

Originally Posted by notqytryt
can you diagram what you are suggesting?

 
Reply
Old Oct 23, 2021 | 06:01 PM
  #12 (permalink)  
notqytryt's Avatar
Thread Starter
Joined: Aug 2021
Posts: 9
Likes: 0
From: toledo
Default Re: Front section not flipping up

Originally Posted by ala_xfire
I was thinking more of an actual picture, not a schematic.. I just ordered a 15 degree switch to see if I can get it to work.. I am sceptical since it will fluctuate depending on the cars position
 
Reply
Old Oct 23, 2021 | 06:17 PM
  #13 (permalink)  
ala_xfire's Avatar
Senior Member
Joined: Dec 2010
Posts: 12,780
Likes: 184
From: Lineville, AL
Default Re: Front section not flipping up

I am sceptical since it will fluctuate depending on the cars position
​​​​​​​Yes, but as previously stated, it's position is only important at the exact time the top down switch is pressed.
 
Reply
Old Oct 23, 2021 | 06:32 PM
  #14 (permalink)  
ZERACER's Avatar
Senior Member
Joined: Nov 2006
Posts: 6,612
Likes: 769
From: Orange County CA.
Default Re: Front section not flipping up

And when you operate the top you should be sitting still.
 
Reply
Old Oct 27, 2021 | 11:45 PM
  #15 (permalink)  
ala_xfire's Avatar
Senior Member
Joined: Dec 2010
Posts: 12,780
Likes: 184
From: Lineville, AL
Default Re: Front section not flipping up

Originally Posted by ZERACER
And when you operate the top you should be sitting still.
Yes, with the engine running - BUT the owner's manual says you can operate it up to 9 MPH.

 
Reply
Related Topics
Thread
Thread Starter
Forum
Replies
Last Post
TheyCallMeMike
New Member Introductions
14
May 30, 2021 10:25 AM
MeaCulpa
U.K.
1
Dec 21, 2020 08:50 AM
Lord M.H. Rothschild
Crossfire Coupe
0
Oct 24, 2019 08:38 AM
Mike-in-Orange
Detail Shop
12
Oct 21, 2009 02:44 PM
James1549
Northeast Forum
43
Jan 5, 2009 08:11 PM

Currently Active Users Viewing This Thread: 1 (0 members and 1 guests)
 



All times are GMT -4. The time now is 04:18 PM.