Troubleshooting & Technical Questions & Modifications Have technical or modification questions about the Crossfire? Find out the answer, or give advice in here!

Another battery drain problem (SRT6)

Thread Tools
 
Old Oct 3, 2016 | 05:10 PM
  #1 (permalink)  
kingtj's Avatar
Thread Starter
Joined: Jun 2012
Posts: 118
Likes: 0
From: Brunswick, MD
Angry Another battery drain problem (SRT6)

Ok.... I think it's time I turn to the collective minds of this forum for some assistance!

My '05 SRT6 roadster has had absolutely no electrical issues until last week. But about 6 months ago, I did decide to buy a new battery just as a preventative measure, after realizing it looked like I was still using the original one from the factory. I went with a Bosch from Pep Boys (which they claimed was their "high end" battery they sold).

So anyway, last week, I dropped my car off at a local shop for some basic service and to see if they could check out a problem I had with my convertible top not wanting to close without the rear window bow "sticking". They told me they did the oil change and replaced a front passenger side marker lamp that was burnt out, but couldn't find the reason behind the rear window sticking when trying to lock back in place. (Verified that the hydraulic fluid was full and no leaks.)

But they said they had to jump start the car to move it into the garage from their lot to work on it, and it would need another jump for me to get it home, and asked if I had battery problems before.....

When I got there, we jump started it with a battery pack he had in the shop and we noted that the voltage read out as 13.6V after the car was running, but only 11.9V before that. His battery pack had a digital voltmeter integrated into it. (So he felt that meant the alternator was good.) But then, while paying him inside for the repairs, the car died again. He lent me the battery pack in case I needed it again while driving back to Pep Boys, to get my battery replaced under warranty, as we assumed that was the issue. So with one more jump start, I drove about 20 minutes to Pep Boys. The car sputtered once or twice on the highway, with the BAS ESP light briefly lighting, but I made it as far as the exit ramp before it died on me again. Had to jump start it once more to get from there to Pep Boys.

They swapped batteries with another new Bosch replacement (free warranty swap), and everything seemed to be good. Except 2 days later, I went out to my car and found the battery was too weak to start it again. (Just clicked a few times as lights on the dash flickered.)

So now I started assuming a short someplace.... I have an old Radio Shack voltmeter but the Amp settings on it only go as high as 250ma. Using that setting, I connected it in series with the negative battery terminal to measure power draw and the needle immediately pegged. So definitely more than 250ma getting drawn.

I tried pulling various fuses including #9 for the alarm system, and 2 different fuses related to the top hydraulics. No change.

Could this be a bad alternator causing this kind of power draw?
 
Reply
Old Oct 3, 2016 | 07:51 PM
  #2 (permalink)  
waldig's Avatar
Senior Member
Joined: Feb 2008
Posts: 4,508
Likes: 34
From: VA
Talking Re: Another battery drain problem (SRT6)

My old guy favorite is check the glove box light, see if it is hot, meaning its been on for a long time.

Pulling all the fuses is a good check, remember those in the dash left of the steering wheel by the access panel hidden when door is closed.

Easiest way to see short is to put a brake light between the + battery terminal and plus lead. Brilliance will show the short value and is easy to watch. Computer will draw a small amount but Id say less than 100ma. Try the light ! enjoy Woody
 
Reply
Old Oct 3, 2016 | 09:52 PM
  #3 (permalink)  
pizzaguy's Avatar
Administrator
Joined: Jun 2009
Posts: 13,959
Likes: 1,288
From: Fort Worth, Texas
Default Re: Another battery drain problem (SRT6)

The spec is 40-60 millamp, it's in the service manual somewhere - I found it by accident but can't find it again.

That's .04-.06 amp. I like the light idea, but I really prefer to insert a DVM in there on the 10 amp scale, pull fuses till it goes away. NOW, there is a car here locally that I pulled every fuse except for the 200 amp one near the battery and I still saw around 310ma. Next time I work on it, I'm going to start taking leads off the tiepoint in the back of the underhood fuse box and see what one it is. THEN I'll just leave it disconnected and determine what item(s) don't work and go after them.
 
Reply
Old Oct 4, 2016 | 06:48 AM
  #4 (permalink)  
ala_xfire's Avatar
Senior Member
Joined: Dec 2010
Posts: 12,780
Likes: 184
From: Lineville, AL
Default Re: Another battery drain problem (SRT6)

HINT: take a digital picture of the fuses in the under hood panel and the lighting panel before you pull any, just in case.
 
Reply
Old Oct 4, 2016 | 12:51 PM
  #5 (permalink)  
kingtj's Avatar
Thread Starter
Joined: Jun 2012
Posts: 118
Likes: 0
From: Brunswick, MD
Default Re: Another battery drain problem (SRT6)

Appreciate all the advice so far, but things aren't looking too good here.

I started by pulling out every single fuse in the driver side dash fuse panel (after taking a picture so I knew how to put them all back again). Tested and still lots of battery drain.

So I put all those back and tried removing different "blocks" of fuses from the panel under the hood.

Got most of the way through that, still seeing the same results on my meter, until I realized if I held the probes down for more than a split second, the really high reading (pegging the meter) stopped and it dropped back down to something more measurable.

(Now I realized that initial really high reading could have just been whatever relay clicks when the car firsts gets battery power, and is normal.)

I really need to get a better, digital voltmeter and try all of this over again. This ancient analog meter doesn't even make it clear to me what I'm seeing on the readout. (I know I want to set it to "DCA" mode to measure current draw, but the only two settings on the dial are "50u" and "250m", and the scale on the dial doesn't even have a place where they're labeling milliamps of current or anything. (They have a green part of the scale for ohms, so maybe I'm supposed to be using that scale and doing some sort of conversion?)
 
Reply
Old Oct 4, 2016 | 01:14 PM
  #6 (permalink)  
ala_xfire's Avatar
Senior Member
Joined: Dec 2010
Posts: 12,780
Likes: 184
From: Lineville, AL
Default Re: Another battery drain problem (SRT6)

There should be a different set of lead sockets for measuring current as opposed to volts / ohms, as well as positions on the selector.
 
Reply
Old Oct 4, 2016 | 03:32 PM
  #7 (permalink)  
waldig's Avatar
Senior Member
Joined: Feb 2008
Posts: 4,508
Likes: 34
From: VA
Talking Re: Another battery drain problem (SRT6)

your reading charging current to charge all the capacitors in the system, light bulb will do it or go to harbor freight for a cheapie meter for current. Woody
 
Reply
Old Oct 4, 2016 | 06:21 PM
  #8 (permalink)  
kingtj's Avatar
Thread Starter
Joined: Jun 2012
Posts: 118
Likes: 0
From: Brunswick, MD
Default Re: Another battery drain problem (SRT6)

Well ... this is just not looking good at all.

I got out a set of jumper cables and connected it to my Jeep Wrangler. Tried to jump start the Crossfire but all it did was click rapidly with dash lights flickering.

I even bought a digital multimeter at WalMart to see what it said, but the stupid thing blew out on me after the first time I tested to see if it worked to measure the battery DC voltage! (Ridiculous .... I had everything set properly and something inside it just popped and died. Now the display reads 0 volts no matter what.) I see a few other reviewers had the same experience with this one though, so back to WalMart it goes.
 
Reply
Old Oct 4, 2016 | 07:05 PM
  #9 (permalink)  
waldig's Avatar
Senior Member
Joined: Feb 2008
Posts: 4,508
Likes: 34
From: VA
Talking Re: Another battery drain problem (SRT6)

harbor freight: or ebay measures 10 amps and is throw away cheap as I get them for free on the specials they run monthly.................Woody
 
Reply
Old Oct 7, 2016 | 09:41 PM
  #10 (permalink)  
kingtj's Avatar
Thread Starter
Joined: Jun 2012
Posts: 118
Likes: 0
From: Brunswick, MD
Default Re: Another battery drain problem (SRT6)

Ok! Here's the latest update.... I returned that piece of junk multimeter to WalMart and wound up buying an LCD "True RMS" digital multimeter from Radio Shack. (Yes, they still have a location open in my city!) This one actually works properly, and may just last me years if it's anything like my old Radio Shack analog meter.

According to this new meter, I'm getting a steady battery draw of about 107ma when the car is sitting with no interior lights on or anything. The Crossfire service manual seems to indicate it should be a little less than half that amount, but I have an aftermarket Clarion stereo installed too -- so who knows if that changes things a bit? Doesn't seems like enough current draw to be a big concern.

But here's the interesting part. It appears that as soon as I try to actually start the car, it causes a large current drain that doesn't immediately go away after turning the key off again. (I can put the key in ACC or ON mode and everything seems normal... can roll the power windows up/down, turn on headlights, stereo, etc. All works normal. But right after the failed attempt to start it, the windows won't work anymore and even the interior cabin lights appear dim.)

I bought one of those battery jump starting booster packs (700 cranking amps) and charged it up all the way. Tried attaching it to my Crossfire's battery terminals and then starting it. That just results in a "click, click, click" that actually sounds more like a metal "clank, clank, clank" if I open the driver side door and listen.

So safe to say I have a bad starter that might be somehow sticking and shorting the battery too?
 
Reply
Old Oct 8, 2016 | 07:07 AM
  #11 (permalink)  
ala_xfire's Avatar
Senior Member
Joined: Dec 2010
Posts: 12,780
Likes: 184
From: Lineville, AL
Default Re: Another battery drain problem (SRT6)

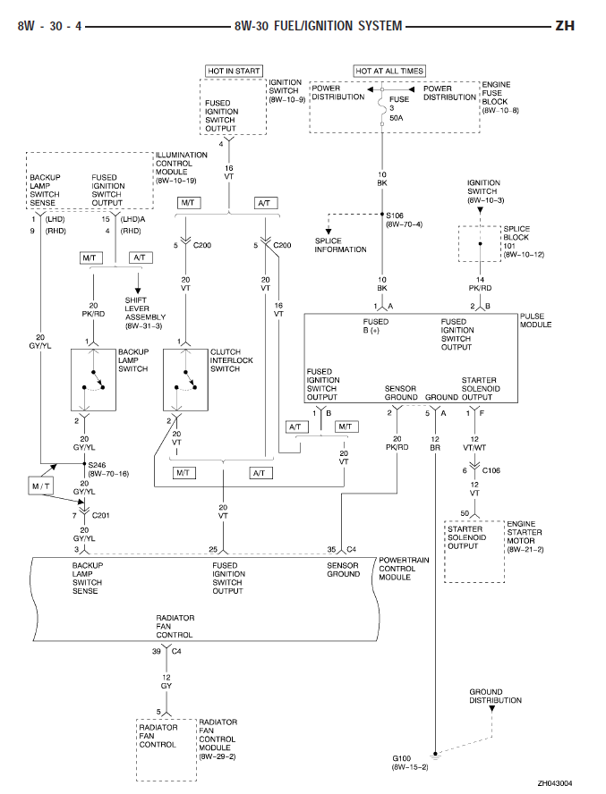
Could be the 'pulse module'.
I sits between the battery and starter and the ignition key tells it to engage the starter. ( you only have to bump the key to the start position, then it takes over )
It is intelligent, in that it will only turn the starter for a specific time ( 5 seconds, I think ) and will disengage the starter when it is told that the engine has started by the PTCM.
( It is actually located in the under hood fuse panel )


 

Last edited by ala_xfire; Oct 8, 2016 at 07:14 AM.
Reply
Old Oct 8, 2016 | 10:51 AM
  #12 (permalink)  
pizzaguy's Avatar
Administrator
Joined: Jun 2009
Posts: 13,959
Likes: 1,288
From: Fort Worth, Texas
Default Re: Another battery drain problem (SRT6)

Try this:

1) Disconnect battery ground cable
2) Insert an ammeter/DVM inline If your meter is fused on one lead with a 1/4 amp fuse, use the 10 amp jack; when you first connect it, a surge of current will flow of well over 1/4 amp and blow the little fuse. This is why using a digital meter is so helpful, even on the 2 or 10 amp scale, you can read currents as low as .005 amp. If you see ZERO current, open a door and verify a dome light comes on (you will see an amp or two of current), if you can't get the light to come on, your meter fuse is blown or you don't have it connected right.
3) With doors and trunk closed and key off and removed from the ignition, wait at least 3 minutes. (This allows the security system and other 'stuff' to get to it's "resting" state, looking at the meter too quickly will make you think you have a problem you do not really have)
4) Observe the meter - ANYTHING over 60mA is a PROBLEM.


Another thing:

I've owned three Crossfires over seven years. I've made thousands of posts here area probalby read over 100,000 posts - ONLY ONCE have I seen it where replacing a starter on a Crossfire fixed anything. The "Click click Click" can be poor connections, heavily corroded battery terminals or an open or missing jumper from engine block to frame. I remain almost 100% convinced your starter is not the problem - but I"m not there and after 34 years of component-level electronic troubleshooting I can tell you one thing: Sometimes, I need to BE there to really understand what's going on. If you do not understand current flow and the relationship between voltage/current and resistance, you may have a hard time with this. Unfortunately, most shops you take the car to understand little about such concepts. So, you are probably almost better off learning on your own.
 

Last edited by pizzaguy; Oct 8, 2016 at 10:57 AM.
Reply
Old Oct 8, 2016 | 12:35 PM
  #13 (permalink)  
onehundred80's Avatar
Senior Member
Joined: Apr 2006
Posts: 25,432
Likes: 647
From: Ontario
Default Re: Another battery drain problem (SRT6)

Possibly a bad connection between the battery and the starter.

Depending on the mileage and if there have been many short trips the starter will show more wear than one from a car used mainly for longer trips. The brushes get worn and can get to the point where the springs fail to make the brush contact the armature (?) firmly. The brushes take a real beating each time they are used.

Bad battery contact has been eliminated, but was an option.
 
Reply
Old Oct 8, 2016 | 03:30 PM
  #14 (permalink)  
lovecross's Avatar
Forum Regular
Joined: Jun 2013
Posts: 383
Likes: 3
From: Escape from So-Cal
Default Re: Another battery drain problem (SRT6)

(Really Dumb?) Question; could they have possibly sold you TWO (bad) batteries? ie; prone to early failure by shorted cell or? (also, check trunk light for staying on)
Have to ask, because I'm still learning. What should charging voltage be at idle speed? How much time of non-operation might normally pass, for a connected battery to drop to 12 volts or less?
 

Last edited by lovecross; Oct 8, 2016 at 04:23 PM.
Reply
Old Oct 8, 2016 | 03:41 PM
  #15 (permalink)  
ala_xfire's Avatar
Senior Member
Joined: Dec 2010
Posts: 12,780
Likes: 184
From: Lineville, AL
Default Re: Another battery drain problem (SRT6)

Mine is at 14.2 at idle just after start, then drops back to 13.8
My almost new AGM battery holds 12.5 volts for about 4 days, then I might see as low as 11.8
 
Reply
Old Oct 8, 2016 | 04:19 PM
  #16 (permalink)  
lovecross's Avatar
Forum Regular
Joined: Jun 2013
Posts: 383
Likes: 3
From: Escape from So-Cal
Default Re: Another battery drain problem (SRT6)

[QUOTE=ala_xfire;875632]Mine is at 14.2 at idle just after start, then drops back to 13.8
My almost new AGM battery holds 12.5 volts for about 4 days, then I might see as low as 11.8[/QUOT


Thank you for that.
 
Reply
Related Topics
Thread
Thread Starter
Forum
Replies
Last Post
Larskeller
Cars For Sale - Archive
9
May 26, 2016 04:15 PM
blake07
Crossfire Roadster
12
May 1, 2016 03:12 AM
trampsta
Parts/Accessories for sale - Archive
0
Apr 21, 2016 12:24 AM
chuckhaze
Troubleshooting & Technical Questions & Modifications
14
Mar 31, 2004 03:36 PM
X-fired
Troubleshooting & Technical Questions & Modifications
4
Jul 29, 2003 01:38 PM

Currently Active Users Viewing This Thread: 1 (0 members and 1 guests)
 



All times are GMT -4. The time now is 07:52 AM.